Revue technique automobile - Renault Scenic: Pompe haute pression
|
Outillage spécialisé indispensable |
|
| Mot.1566 | Outil de dépose des tuyaux de pompe haute pression |
| Mot. 1367-02 | Support de moteur |
| Mot. 1367 | Barre support moteur pour remplacement de la culasse |
| Mot.1606 | Outil d'immobilisation de poulie de pompe haute pression |
| Mot.1525 | Extracteur de poulie de pompe haute pression |
| Mot.1525-02 | Griffes d'extracteur de poulie de pompe haute pression |
|
Matériel indispensable |
| outil de diagnostic |
| clé dynamométrique "faible couple" |
| clé pour les tuyaux haute pression (clé DM19) |
| embout à tuyauter pour le serrage des tuyaux haute pression injecteur - rampe (clé "Crowfoot 18-17") |
| embout à tuyauter pour le serrage du tuyau haute pression pompe-rampe (clé "Crowfoot 19-17") |
|
Couples de serragem
|
|
| vis de fixation de la pompe haute pression | 2,1 +/- 0,2 daN.m |
| écrous de fixation de la rampe | 2,8 +/- 0,3 daN.m |
| écrou situé côté rampe | 3,8 daN.m |
| écrou situé côté pompe | 3,8 daN.m |
| écrou de goulotte sur la rampe | 2,1 daN.m |
| vis de fixation de la pompe d'injection haute pression | 2,1 +/- 0,2 daN.m |
| écrou de fixation de la poulie de la pompe d'injection haute pression | 1,5 +/- 0,1 daN.m + 60" +/ - 10 |
| écrous de fixation de la ramape | 2,8 +/- 0,3 daN.m |
| raccord situé côté rampe | 3,8 daN.m |
| raccord situé côté pompe | 3,8 daN.m |
Il existe deux méthodes de dépose - repose de la pompe haute pression.
| IMPORTANT Avant toute intervention sur le circuit d'injection, vérifier à l'aide de l'outil de diagnostic :
|
ATTENTION
|
| ATTENTION Ne jamais tourner le moteur à l'inverse du sens de fonctionnement. |
DÉPOSE : MÉTHODE 1
MÉTHODE POUR LES POMPES HAUTE PRESSION DONT LA POULIE PORTE LE NUMÉRO 070 575

ATTENTION
|
- Mettre le véhicule sur un pont élévateur à deux colonnes.
- Déposer les caches du moteur.
- Débrancher :
- la batterie en commençant par la borne négative.
- le conduit d'aspiration d'air.

- Déposer :
- la grille d'auvent ( voir Chapitre Essuyage / Lavage,
- les vis de fixation (1) de l'écran d'accès du filtre à air ,
- la vis de fixation (2) de la fixation de la boîte à eau.

- Déposer:
- les vis de fixation (3) de la cloison de boîte à eau,
- la cloison de boîte à eau.
- Déposer :
- la courroie d'accessoires(Chapitre Haut et avant moteur, Courroie d'accessoires, page 11A-1); ,
- la courroie de distribution (Chapitre Haut et avant moteur, Courroie de distribution, page 11A-5).

- Déposer les caches du moteur.
- Débrancher :
- la batterie en commençant par la borne négative ( voir Chapitre Equipement électrique,
- le conduit d'aspiration d'air (4).

- Déposer le tube guide jauge à huile (5) et obturer l'orifice sur le bloc-moteur.
- Débrancher délicatement :
- les bougies de préchauffage (6),
- les injecteurs (6),
- les connecteurs électriques sur la pompe haute pression (7),
- les tuyaux (8) d'alimentation et de retour.

- Débrancher délicatement :
- le tuyau de retour (9) reliant les injecteurs à la pompe,
- le capteur de pression de rampe (10),
- l'accélérateur (11),
- la sonde de niveau d'huile (12),
- le capteur de repérage cylindres (13) sur le carter de distribution.
- Obturer tous les orifices du circuit d'injection.
- Débrider le faisceau électrique puis le dégager sur le côté.
- Déposer la goulotte (14) située sur la rampe de carburant.

- Dévisser les écrous de fixation (15) de la rampe de quelques filets.
- Déposer le tuyau haute pression (16) reliant la pompe à la rampe. Pour cela :
- desserrer l'écrou côté pompe, puis l'écrou situé côté rampe,
- déplacer l'écrou long du tube tout en maintenant l'olive en contact avec le cône.
- Obturer tous les orifices du circuit d'injection.

- Déposer :
- les trois vis de fixation (17) de la pompe haute pression,
- la pompe haute pression.
REPOSE : MÉTHODE 1
| ATTENTION Ne retirer les bouchons de propreté qu'au dernier moment pour chacuns des organes. |
- Mettre en place la pompe haute pression.
- Serrer au couple les vis de fixation de la pompe haute pression (2,1 +/- 0,2 daN.m).
| ATTENTION Remplacer systématiquement tous les tuyaux haute pression déposés. |
- Lubrifier légèrement les filets des écrous avec l'huile contenue dans la dosette fournie dans le kit de pièces neuves, avant de monter le tuyau haute pression neuf.
ATTENTION
|

- Reposer le tuyau haute pression, pour cela :
- déposer les bouchons de protection,
- introduire l'olive du tuyau haute pression dans le cône de la sortie haute pression de la pompe,
- introduire l'olive du tuyau haute pression dans le cône de l'entrée de la rampe.
- Approcher les écrous de tuyau haute pression à la main en commançant par l'écrou situé côté rampe.
- Préserrer légèrement.
- Serrer au couple les écrous de fixation de la rampe (2,8 +/- 0,3 daN.m).
| ATTENTION Ne pas toucher les tuyaux avec la clé lors du serrage au couple. |
- Serrer dans l'ordre et au couple :
- l'écrou situé côté rampe (3,8 daN.m),
- l'écrou situé côté pompe (3,8 daN.m),
à l'aide de l'outil (Mot.1566) et si nécéssaire :
- une clé dynamométrique "faible couple",
- une clé pour les tuyaux haute pression (clé DM19),
- un embout à tuyauter pour le serrage des tuyaux haute pression injecteur - rampe (clé "Crowfoot 18-17"),
- un embout à tuyauter pour le serrage du tuyau haute pression pompe-rampe (clé "Crowfoot 19-17").
Serrer au couple l'écrou de goulotte sur la rampe (2,1 daN.m) à l'aide de l'outil clé dynamométrique "faible couple".
| ATTENTION Brancher la batterie ; effectuer les apprentissages nécessaires (Chapitre Equipement électrique). |
| ATTENTION Vérifier l'absence de fuite de gazole :
|
DÉPOSE : MÉTHODE 2
MÉTHODE POUR LES POMPES HAUTE PRESSION DONT LA POULIE PORTE UN NUMÉRO DIFFÉRENT DE 070575

- Mettre le véhicule sur un pont élévateur à deux colonnes.
- Déposer les caches du moteur.
- Débrancher la batterie en commençant par la borne négative (voir Chapitre Batterie.)
- Déposer la cloison de la boîte à eau ( voir méthode de DEPOSE 1)

- Débrancher le conduit d'aspiration d'air (18).

- Déposer le tube guide jauge à huile (19) et obturer l'orifice sur le bloc-moteur.
- Débrancher délicatement :
- les bougies de préchauffage(20) ,
- les injecteurs (20),
- les connecteurs électriques de la pompe haute pression (21),
- les tuyaux d'alimentation et de retour (22).

- Débrancher délicatement :
- le tuyau de retour(23) reliant les injecteurs à la pompe,
- le capteur de pression de rampe(24) ,
- l'accéléromètre (25),
- la sonde niveau d'huile(26) ,
- le capteur de repérage cylindre(27) sur le carter de distribution.
- Débrider le faisceau électrique puis le dégager sur le côté.
- Déposer la goulotte située sur la rampe de carburant( 14).

- Dévisser les écrous de fixation (28) de la rampe de quelques filets.
- Déposer le tuyau haute pression (29) pompe - rampe (Chapitre Injection diesel, Tuyau haute pression : Remplacement, page 13B-48).
- Desserrer l'écrou côté pompe, puis l'écrou situé côté rampe.
- Déplacer l'écrou le long du tube tout en maintenant l'olive en contact avec le cône.
- Obturer tous les orifices du circuit d'injection.

- Mettre en place l'outil (Mot. 1367-02)(1) et l'outil (Mot. 1367)(2) .

- Déposer le support pendulaire droit équipé de sa coiffe.

- Déposer le carter supérieur de distribution en déclippant les deux languettes (30).

- Déposer les vis de fixation (31) de la biellette de reprise de couple sur la boîte de vitesses et sur le berceau moteur.
- Lever le moteur de quelques centimètres afin d'accéder aux fixations du support pendulaire sur la culasse et à la poulie de pompe haute pression.
| ATTENTION Ne pas déboîter la transmission droite en levant le moteur. |

- Déposer :
- le capteur (32) de repérage cylindre,
- la vis (33) en plastique.
- Déclipper les trois languettes (34).
- Déposer le carter inférieur de distribution.

- Déposer le support pendulaire (35) sur la culasse.

- Positionner le moteur au point mort haut. Le trou de la poulie d'arbre à cames(36) doit être en face du trou de la culasse(37).

- Mettre en place l'outil (Mot.1606)(3) .
Si nécessaire, tourner légèrement le moteur pour ajuster la position de l'outil d'immobilisation sur les dents de la poulie de pompe.
- Déposer l'écrou (38) de poulie de pompe haute pression en maintenant la poulie à l'aide d'une clé plate.

- Mettre en place l'outil (Mot.1525)(4) muni de l'outil (Mot.1525-02).
| ATTENTION Vérifier que la tige de poussée de l'outil soit bien dans l'axe et en appui sur l'arbre de la pompe haute pression. |

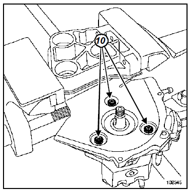
- Déposer les trois vis (39) de fixation de la pompe haute pression.
- Visser la tige de poussée de l'outil (Mot.1525).
- Désolidariser l'ensemble " poulie - pompe ".
- Déposer :
- la pompe haute pression,
- l'outil extracteur de pompe haute pression.
REPOSE : MÉTHODE 2
| ATTENTION Ne retirer les bouchons de propreté qu'au dernier moment pour chacun des organes. |
- S'assurer que la goupille de bridage de la poulie est toujours en place.
- Mettre en place la pompe d'injection haute pression.
- Serrer aux couples les vis de fixation de la pompe d'injection haute pression (2,1 +/- 0,2 daN.m).
- Mettre en place l'écrou de la poulie de la pompe d'injection haute pression.
- Serrer au couple et à l'angle l'écrou de fixation de la poulie de la pompe d'injection haute pression (1,5 +/- 0,1 daN.m + 60" +/- 10), en maintenant la poulie à l'aide d'une clé plate.
- Déposer l'outil (Mot.1606).
| ATTENTION Remplacer systématiquement tous les tuyaux haute pression déposés. |
- Lubrifier légèrement les filets des raccords avec l'huile contenue dans la dosette fournie dans le kit de pièces neuves, avant de monter le tuyau haute pression neuf.
ATTENTION
|

- Reposer le tuyau haute pression, pour cela :
- déposer les bouchons de protection,
- positionner l'olive du tuyau haute pression dans le cône de la sortie de la pompe,
- positionner l'olive du tuyau haute pression dans le cône de l'entrée de la rampe.
- Approcher les raccords du tuyau haute pression à la main en commençant par le raccord situé côté rampe.
- Serrer au couple les écrous de fixation de la ramape (2,8 +/- 0,3 daN.m).
- Serrer dans l'ordre et au couple :
- le raccord situé côté rampe (3,8 daN.m),
- le raccord situé côté pompe (3,8 daN.m).
- Effectuer un contrôle de l'étanchéité du circuit haute pression après réparation (Chapitre Injection diesel, Tuyau haute pression : Contrôle d'étanchéité, page 13B-47).
- Procéder dans le sens inverse de la dépose.
Amorcer le circuit d'alimentation en gazole avec la pompe d'amorçage (le dégazage est automatique).
| ATTENTION Brancher la batterie ; effectuer les apprentissages nécessaires (voir Chapitre Equipement électrique). |
| ATTENTION Vérifier l'absence de fuite de gazole :
|
F9Q
|
Outillage spécialisé indispensable |
|
| Mot. 1668 | Blocage du pignon de pompe haute pression |
| Mot.1525 | Extracteur de poulie de pompe haute pression |
| Mot. 1525-03 | Griffes d'adaptation du Mot. 1525 (pour poulie 33 dents) |
|
Matériel indispensable |
| outil de diagnostic |
| embout à tuyauter pour le serrage du tuyau haute pression pompe-rampe (clé "Crowfoot 19-17") |
| clé pour les tuyaux haute pression (clé DM19) |
| clé dynamométrique "faible couple" |
|
Couples de serragem
|
|
| vis de fixation de la pompe haute pression sur les supports de pompe | 3 daN.m |
| écrou de la poulie de la pompe haute pression | 7 daN.m |
| vis de fixation du support de pompe haute pression sur la culasse | 2 daN.m + 80" |
| vis de fixation du support arrière de la pompe haute pression sur le carter-cylindres | 4,4 daN.m |
| vis de fixation de la pompe haute pression sur le support arrière de la pompe | 3 daN.m |
| écrous de fixation de la rampe d'injection | 2,2 daN.m |
| écrous des tuyaux haute pression pompe - rampe | 2,5 daN.m |
| écrou de goulotte sur la rampe | 2,1 daN.m |
| IMPORTANT Avant toute intervention sur le circuit d'injection, vérifier à l'aide de l'outil de diagnostic :
Respecter impérativement, lors de chaque intervention, les consignes de sécurité et de propreté énoncées dans ce document. Il est strictement interdit de desserrer un raccord de tuyau haute pression lorsque le moteur tourne. |
ATTENTION
|
DÉPOSE
- Mettre le véhicule sur un pont élévateur à deux colonnes.
- Débrancher la batterie en commençant par la borne négative.
- Déposer :
- la courroie d'accessoires (Chapitre Haut et avant moteur, Courroie d'accessoires, page 11A-1),
- la courroie de distribution (Chapitre Haut et avant moteur, Courroie de distribution, page 11A-5).

- Débrancher et écarter le tuyau (1) de réaspiration des vapeurs d'huile.

- Débrancher :
- le réchauffeur de gazole sur le filtre à gazole,
- les bougies de préchauffage,
- le régulateur de pression (2),
- le capteur de pression (3).

- Débrancher les tuyaux (4) d'alimentation et de retour de gazole.
- Placer des bouchons de propreté sur les orifices.
- Déposer l'agrafe de maintien des tuyaux de gazole.

- Déposer le tuyau haute pression pompe - rampe (5).
- Placer des bouchons de propreté sur les orifices.

- Déposer les deux vis de fixation (6) de la pompe haute pression sur le support arrière de la pompe haute pression.

- Déposer :
- les trois vis de fixation (7) du support avant de la pompe haute pression,
- la pompe haute pression avec le support de pompe haute pression.

- Mettre en place l'outil (Mot. 1668)(8).
- Déposer l'écrou (9) de la poulie de la pompe haute pression.

- Mettre en place l'extracteur de poulie (Mot.1525) ; muni des griffes (Mot. 1525-03)(10) pour les poulies trente trois dents.
- Extraire la poulie en serrant la vis de poussée (11) de l'extracteur de poulie.
- Déposer les outils (Mot.1525), (Mot. 1525-03), (Mot.
1668).

- Déposer :
- les trois vis de fixation (12) de la pompe haute pression,
- la pompe haute pression.
REPOSE
| ATTENTION Ne retirer les bouchons de propreté qu'au dernier moment pour chacun des organes. |
- Reposer la pompe haute pression sur le support de pompe.
- Serrer aux couples :
- les vis de fixation de la pompe haute pression sur les supports de pompe (3 daN.m),
- l'écrou de la poulie de la pompe haute pression (7 daN.m) en immobilisant la poulie à l'aide de l'outil (Mot. 1668).

- Repousser la bague (13) comme sur l'image.
- Desserrer les deux vis de fixation (14) du support arrière de pompe haute pression sur le carter cylindres.
- Reposer l'ensemble de la pompe haute pression et du support de pompe.
- Serrer au couple les vis de fixation du support de pompe haute pression sur la culasse (2 daN.m + 80").
| ATTENTION Ne pas contraindre le tuyau haute pression pompe - rampe ni le support arrière de pompe. |
I -REPOSE DU SUPPORT ARRIÈRE DE POMPE HAUTE PRESSION
- Approcher les vis de fixation à la main de façon à mettre en contact le support avec la pompe haute pression et le carter-cylindres.
- Serrer aux couples :
- les vis de fixation du support arrière de la pompe haute pression sur le carter-cylindres (4,4 daN.m),
- les vis de fixation de la pompe haute pression sur le support arrière de la pompe (3 daN.m).
II - REPOSE DU TUYAU HAUTE PRESSION POMPE - RAMPE
Desserrer les vis de fixation de la rampe d'injection (la rampe d'injection doit être " flottante ").
ATTENTION
|
| ATTENTION Ne retirer les bouchons qu'au dernier moment pour chacun des organes. |
- Reposer un tuyau haute pression pompe-rampe neuf.
- Approcher les écrous du tuyau haute pression à la main en commençant par l'écrou côté rampe.
- Serrer au couple les écrous de fixation de la rampe d'injection (2,2 daN.m).
ATTENTION
|
- Serrer au couple les écrous des tuyaux haute pression pompe - rampe (2,5 daN.m) en serrant en premier l'écrou côté pompe, à l'aide de l'embout à tuyauter pour le serrage du tuyau haute pression pompe-rampe (clé "Crowfoot 19-17") ou de la clé pour les tuyaux haute pression (clé DM19),
- Procéder dans le sens inverse de la dépose.
- Reposer :
- la courroie de distribution (Chapitre Haut et avant moteur, Courroie de distribution, page 11A-5),
- la courroie d'accessoires (Chapitre Haut et avant moteur, Courroie d'accessoires, page 11A-1).
- Amorcer le circuit de gazole à l'aide de la poire d'amorçage.
- Serrer au couple l'écrou de goulotte sur la rampe (2,1 daN.m) à l'aide de la clé dynamométrique "faible couple".
| ATTENTION Brancher la batterie ; effectuer les apprentissages nécessaires (Chapitre Equipement électrique). |
| ATTENTION Vérifier l'absence de fuite de gazole :
|
Injecteurs : Contrôle
d'étanchéité
K9K
I - CONTRÔLE D'ÉTANCHEITÉ DES INJECTEURS
La commande AC029" test d'étanchéité circuit haute
pression " dans l'onglet " carburant / GPL ", perm ...
Injecteurs
Outillage spécialisé indispensable
Mot.1566
Outil de dépose des
tuyaux de pompe
haute pression
Matériel indispensable ...
D'autres materiaux:
Satellite de commande radio :
Contrôle
La commande de l'autoradio et la manette d'essuyage
forme une seule pièce, indissociable.
Pour la dépose (Chapitre Commande - signalisation,
Manette d'essuyage, page 84A-7).
CONTROLE
A l'aide d'un ohmmètre il est possible de contrôler le satellite
d ...
Outillages
OUTIL DE REPOSE DE PLANCHE DE BORD
Car. 1373
Outil en position sur véhicule
PINCE POUR REMONTAGE D'ARMATURE DE
SIEGE Car. 1679
Outil en position sur véhicule
PROTECTEUR DE PLANCHE DE BORD Car. 1670
VENTOUSE POUR MONTAGE DU TOIT
PANORAMIQUE
Matériel DESVIL R&eacu ...
Commande de rétroviseurs
En fonction du niveau d'équipement, plusieurs types de
commandes de rétroviseurs peuvent équiper le
véhicule :
commande pour rétroviseurs électriques simples,
commande pour rétroviseurs électriques rabattables.
I - R&Eacu ...

