Revue technique automobile - Renault Scenic: Armature de siège avant
|
Couple de serrage
|
|
| vis M8 | 25 N.m |
| écrous M10 | 66 N.m |
| fixations de ceinture | 21 N.m |
| fixations "armature - glissières" | 21 N.m |
| IMPORTANT Avant toute intervention sur un élément du système de sécurité, verrouiller le calculateur d'airbag à l'aide de l'outil de diagnostic (voir Chapitre Equipement électrique). Lorsque cette fonction est activée, toutes les lignes de mise à feu sont inhibées et le témoin airbag au tableau de bord s'allume fixe (contact mis). |
| IMPORTANT Il est interdit de manipuler les systèmes pyrotechniques (airbag ou prétensionneurs) près d'une source de chaleur ou d'une flamme : il y a un risque de déclenchement des airbags ou prétensionneurs. |
DEPOSE
Déposer :
- le siège (voir chapitre 75A-A),
- l'appui-tête.
DESHABILLAGE


Déclipper la poignée de rehausse d'assise à l'aide d'un tournevis plat.

Déposer la vis de carter (1).

Déposer :
- la vis de carter (2),
- le carter.

Régler l'assise en position haute (ressort détendu au maximum).
Déposer les rivets du mécanisme de réglage de réhausse (3).
Déposer le mécanisme et la commande.

Débrancher le connecteur du prétensionneur (4).
Déposer la vis du prétensionneur (5).

Déposer les caches des guides d'appuie-tête (6).
Déposer soigneusement la coiffe de dossier au niveau des appui-tête.

Déposer le cache de fixation de la molette de réglage lombaire, à l'aide de l'outil (Car. 1597).

Déposer la molette de réglage lombaire, à l'aide d'un tournevis.

Déposer :
- la vis du carter (7),
- le carter.

Débrancher le connecteur du prétensionneur.
Déposer la vis du prétensionneur (8).

Particularité du connecteur de ceinture : Pour déclipper le connecteur, déposer les vis de fixation des deux demi-coquilles de la boucle.
Exercer une pression sur le clip (9) à l'aide d'un tournevis pour dégager le connecteur.

Déposer :
- les élastiques de la coiffe (10),
- le rabat de coiffe.

Déposer :
- les quatre rivets de fixation de la tablette (11),
- la tablette.

Déposer la garniture.

Déposer les agrafes de la coiffe au niveau de l'airbag.

Déposer les élastiques de maintien inférieur de la coiffe de dossier.

Déposer les profils de maintien de la coiffe de dossier (12).
| ATTENTION Déposer soigneusement la coiffe, en maintenant les bandes velcro de la mousse pour ne pas détériorer la mousse de dossier. |

Déposer soigneusement la coiffe de dossier.

Déposer la mousse de dossier.

Déposer le feutre d'armature de dossier.

Déposer les guides d'appuie-tête.

Débrancher :
- le connecteur,
- la cosse de l'airbag.
Percer le rivet (13).
Déposer l'airbag.

Débrancher la cosse.
Déclipper le contacteur (14).

Déposer :
- l'agrafe (15),
- les profils de maintien de la coiffe (16).

Déposer :
- le profil de maintien de la coiffe (17),
- les vis du carter frontal.
| ATTENTION Déposer soigneusement la coiffe, en maintenant les bandes velcro de la mousse pour ne pas détériorer la mousse d'assise. |

Déposer :
- soigneusement la coiffe d'assise,
- la mousse d'assise.

Déposer les agrafes de coiffe (18).

Déposer la nappe du mécanisme de réglage lombaire.

Déposer les arrêts de gaine des câbles de commande.
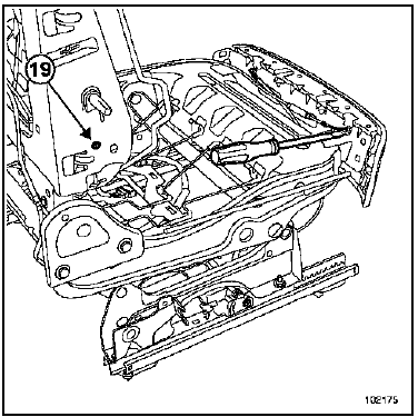
Percer le rivet (19) du mécanisme de réglage lombaire.
Déposer le mécanisme.

Déposer la vis de fixation de la poignée de réglage des glissières.
Dégager la poignée.
Opération à réaliser également sur la poignée de réglage de dossier.

Déposer :
- les câbles des commandes de déverrouillage.
- le carter frontal.

Déclipper la biellette de déverrouillage de dossier.
Déposer le câble.
Nota :
Pour un remplacement du câble de réglage de la
commande d'articulation de dossier :
|

Déclipper :
- la nappe,
- les arrêts de câble (20).
Pour une opération de remplacement du mécanisme de rehausse d'assise :
La pièce de rechange se compose du mécanisme de rehausse et de la commande.
Méthode :
- la dépose du ressort de rappel n'est pas nécessaire,
- régler l'assise en position haute (ressort détendu au maximum),
- percer les trois rivets (21),
- déposer le mécanisme et la commande,
- nettoyer les cannelures de l'axe.

Dépose des armatures "dossier - assise" :
| IMPORTANT Faire traverser une pige métallique de part et d'autre de l'armature par l'ajourage (22), la sangler si besoin. Vérifier sa tenue avant toute manipulation. |

Déposer les vis (23).
| ATTENTION Lors de la dépose, garder la pige en place. |

Déposer :
- les vis (24),
- l'armature de dossier.
REPOSE

| ATTENTION Pour un remplacement, ne pas retirer le collier plastique en (25) de l'armature neuve. Vérifier sa tenue avant toute manipulation ; en cas de doute, placer une pige de part et d'autre des armatures (25). |
- Prévissage et vissage des fixations de l'armature :
- presserrer les trois écrous M10 à 20 N.m,
- presserrer les deux vis M8,
- serrer au couple les écrous M10 (66 N.m),
- serrer au couple des vis M8 (25 N.m).
Couper le collier plastique en (25).
Regarnir le siège.
Procéder dans le sens inverse de la dépose.
Particularité du siège passager

Déclipper l'obturateur.

Déposer la vis (1).
Déclipper la poignée.

Déposer la vis du carter.

Déclipper la garniture (3).
Déposer le carter.

Déposer :
- les quatre rivets de fixation (4) de la tablette,
- la tablette.

Déposer la garniture.

Ouvrir la fermeture à glissière.

Débrancher le connecteur de la nappe chauffante (selon niveau d'équipement).

Dégrafer la coiffe au niveau de l'airbag.
Dégarnir la coiffe.
Déposer la mousse de dossier.
| ATTENTION Déposer soigneusement la coiffe, en maintenant les bandes velcro de la mousse pour ne pas détériorer la mousse de dossier. |

Déposer :
- l'élastique de maintien de la coiffe d'assise,
- les profils de maintien (5).
Débrancher le connecteur de la nappe chauffante (6) (selon niveau d'équipement).

Dégarnir la coiffe d'assise.
Déposer la mousse d'assise.
| ATTENTION Déposer soigneusement la coiffe, en maintenant les bandes velcro de la mousse pour ne pas détériorer la mousse d'assise. |

Déclipper le cache.
| ATTENTION Faire traverser une pige métallique de part et d'autre de l'armature par l'ajourage (7), la sangler si besoin. Vérifier sa tenue avant toute manipulation. |

Déposer les trois vis M8.
| ATTENTION Lors de la dépose, garder la pige en place. |

Déposer les trois écrous M10.
REPOSE
Reposer la fermeture à glissières de la coiffe de dossier à l'aide de l'outil (Car. 1558) (couleur bleue).
Prévissage et vissage des fixations de l'armature :
- presserrer les trois écrous M10 à 20 N.m,
- presserrer les trois vis M8,
- serrer au couple les écrous M10 (66 N.m),
- serrer au couple les vis M8 (25 N.m).
| ATTENTION Avant la repose de la coiffe de dossier, vérifier le collage des bandes velcro sur la mousse de dossier. |
| Nota : En cas de remplacement de coiffe d'assise, couper soigneusement l'étiquette ISOFIX pour les sièges conducteur uniquement, sans détériorer l'assise. |
Procéder dans le sens inverse de la dépose.
Siège complet
Couple de serrage
vis de siège
21 N.m
IMPORTANTAvant toute intervention sur un élément du
système
de sécurit&e ...
Glissières de siège
Couple de serrage
vis de siège
21 N.m
vis "armatures - glissière"
21 N.m
IMPORTANTAvant toute intervention sur le sy ...
D'autres materiaux:
Caractéristiques
CULASSE
Méthode de serrage
Moteurs S9U-S9W
La repose de la culasse nécessite un pré-serrage et
serrage angulaire.
Toutes les vis de la culasse doivent être remplacées
systématiquement après un démontage.
Graisser à l'huile mote ...
Tableau des commandes spécifiques
CONSIGNES
Après avoir configuré le tableau de bord, couper le contact et attendre une
minute,
ensuite débrancher et rebrancher la batterie pour que les nouvelles
configurations
soient prises en compte.
CONSIGNES
Après avoir configuré le tableau de bord ...
Dispositifs de retenue complémentaires : aux ceintures avant, aux ceintures
arrière, de protection latérale
Suivant véhicule, ils peuvent être
constitués de :
prétensionneurs d'enrouleur de
ceinture de sécurité ;
prétensionneurs de ventrale ;
limiteurs d'effort de thorax ;
airbags frontaux conducteur et
passager.
Ces ...
